CFMoto Terralander 800 Saint-Remèze

PreviousNext

Description

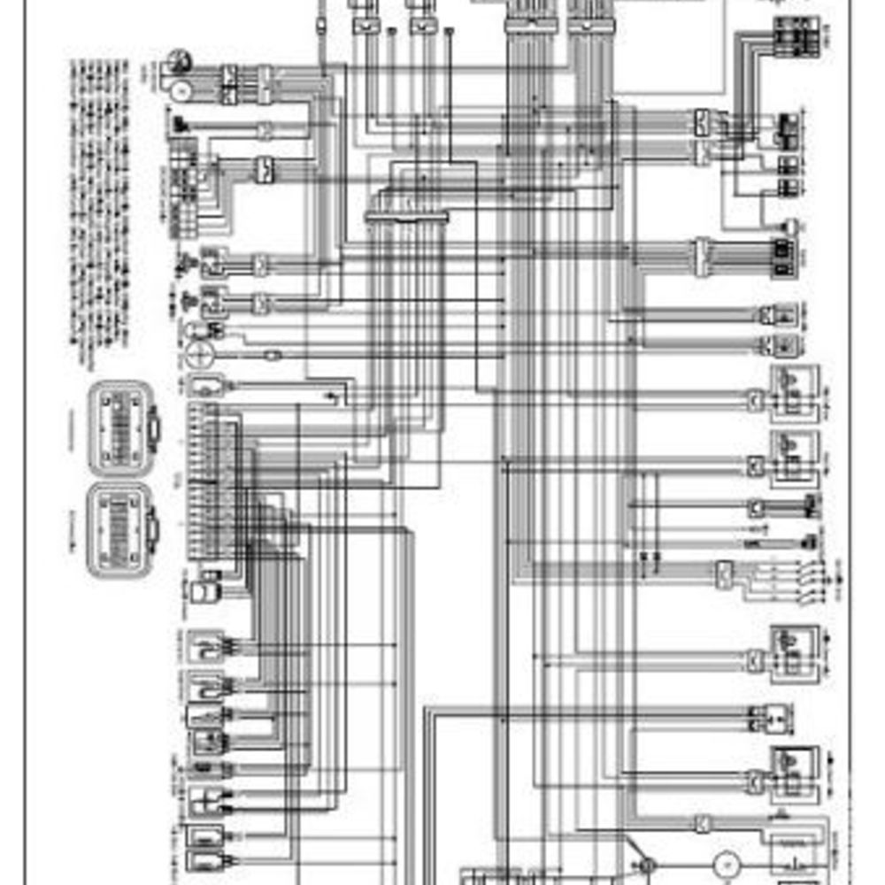
Manuel d'atelier CFMoto Terralander 800 - CF800-2 4x4 Moteur 2V91W bicylindre en V 4T - 8 soupapes - ACT. General Information Body and Muffler Inspection and Adjustment Cooling System Engine Removal and Installation Air Intake System Intake Manifold,Cylinder Head and Cylinder Crankcase,Crankshaft,Gearbox CVT and Clutch Engine Lubrication System Magneto System Front Wheels,Brake,Suspension,Steering Rear Wheels,Brake,Suspension Front Differential,Rear Gearcase Electrical System Lights,Instrument,Switches Troubleshooting 316 pages en anglais. Sur CDRom au format pdf imprimable Frais de port et d'emballage 3,00 euros (Lettre Max - Suivie et Assurée). - France métropolitaine. Outre-Mer ou étranger me consulter. Règlement par chèque, virement bancaire , CB ou Paypal. NOUVEAU : Possibilité de téléchargement direct : disponibilité quasi-immédiate, frais de port : 0 euro Disponible ainsi que de nombreux autres manuels auto/moto/quad/jetski/etc… sur www.meca-passion.com Un manuel d'atelier est une documentation technique éditée par le constructeur à l'usage de ses concessionnaires. Il détaille toutes les caractéristiques, les programmes d'entretien et les procédures de réparation (lourdes ou légères) du véhicule auquel il est consacré. Il s'agit donc d'une sorte de "super revue technique" introuvable dans le commerce "traditionnel" (librairies, magasins de fournitures auto-moto, etc...)

Informations clés

  • Prix 25 €
  • Référence ParuVendu 16734_1304490

Au quotidien, prenez les transports en commun #SeDéplacerMoinsPolluer