Kawasaki 650 Versys - 2007 - Français Saint-Remèze
Description
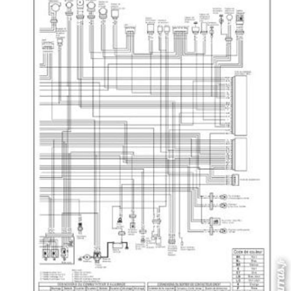
Manuel d'atelier Kawasaki 650 Versys - 2007 - Français Généralités Entretien périodique Circuit d'alimentation (EFI) Circuit de refroidissement Partie supérieure du moteur Embrayage Circuit de lubrification de moteur Dépose / montage de moteur Vilebrequin / Transmission Roues / Pneus Bloc d'entraînement final Freins Suspension Direction Cadre Circuit électrique Annexe 663 pages en FRANÇAIS + Parts Catalog (Catalogue de Pièces Détachées) 111 pages en ANGLAIS + Manuel du Propriétaire Caractéristiques Disposition des éléments Chargements et accessoires Renseignements généraux Rodage Conduite de la moto Consignes de sécurité Entretien et réglages Entreposage Protection de l'environnement Emplacement des étiquettes 169 pages en FRANÇAIS. Soit 943 pages. Sur CDRom au format pdf imprimable Frais de port et d'emballage 3,00 euros (Lettre Max - Suivie et Assurée). - France métropolitaine. Outre-Mer ou étranger me consulter. NOUVEAU : Possibilité de téléchargement direct : disponibilité quasi-immédiate, frais de port : 0 euro Règlement par chèque, virement bancaire, CB ou Paypal. Disponible ainsi que de nombreux autres manuels auto/moto/quad/jetski/etc… sur www.meca-passion.com Un manuel d'atelier est une documentation technique éditée par le constructeur à l'usage de ses concessionnaires. Il détaille toutes les caractéristiques, les programmes d'entretien et les procédures de réparation (lourdes ou légères) du véhicule auquel il est consacré. Il s'agit donc d'une sorte de "super revue technique" introuvable dans le commerce "traditionnel" (librairies, magasins de fournitures auto-moto, etc...)
Informations clés
- Prix 30 €
- Référence ParuVendu 16734_2573845
Pour les trajets courts, privilégiez la marche ou le vélo #SeDéplacerMoinsPolluer